システム設計 ハード回路設計 パターンアートワーク設計 装置製造
ソフト設計 ソフト作成 社内検査 ブランク
業務内容
>業務内容

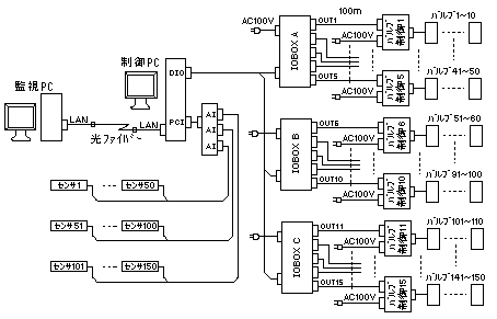
100m先のバルブ150個 同時制御





関連項目
>PCシステム
>ノイズに強い制御装置
>アナログ回路
>低電位差のローノイズ電源

上位PCから制御PCまで数百mの距離があり光ファイバーで接続して指令、及び計測データを転送します。 制御PCからIOBOX、制御BOXを通して100m先のバルブを150個、同一タイミングで制御します。 約300本のケーブルで150個のバルブが誤動作しない対策をとりました。その後250個まで拡張。
ブロックダイア
変動濃度計測システム装置
構成
2台のPC、上位PC、制御PCとA/Dボード、I/Oボード、IOBOX、制御BOXから構成されるシステム。 上位PC、制御PCは、300mの光ファイバーにて接続されています。
制御PC
制御PC側はOSとしてDOSを使用し、割込みを使用して一定周期でデータを計測します。
センサー150チャンネルのデータをA/D変換し、LANを光ファイバー経由で接続して上位PCへデータを転送します。
DOSの環境下でLANにARP、IP、ICMP、UDPプロトコルを実装するため、パケットドライバーを使用してプログラムを作成しました。 また、制御PCは、150個のバルブのON/OFFを同時に1s毎に制御します。
IOBOX
PCのI/O出力を使用して100m先のバルブ制御を制御するため、絶縁信号転送用としてIOBOXを作成しました。 コモンモード対策、ケーブル間のクロストーク対策をとっています。
バルブ制御
DC24V、50Wのバルブが使用でき、バルブ駆動部は、オン抵抗最大34mΩのFETを使用しています。
バルブON時の消費電力は、
     2A*2A*0.034Ω = 0.238W
放熱フィン無しでのジャンクション温度の上昇は、FETのパッケージがTO-220であることから、
     67.5℃/W*0.238W ≒ 16℃
周囲温度に対し、16℃上昇することになります。 また、FETのアバランシェ耐量は、使用電流2A、ドライブケーブル長1mであることから、充分満足しています。
   アバランシェ耐量計算式


Top項目へのアクセス